• 仙踪林视频APP,仙踪林在线入口,仙踪COSMETOLOGY大陆,仙踪林网站免费入口欢迎您

    全国咨询热线:137-1309-8683 yewu@cnstamping.com

    热门关键词:仙踪林在线入口冲压定制冲压件定制仙踪COSMETOLOGY大陆定制仙踪林网站免费入口欢迎您电池冲压件

    当前位置:首页 » 仙踪林视频APP精密新闻中心 » 新闻中心 » 常见问题 » 冲压模具开模的重要事项

    冲压模具开模的重要事项

    返回列表 来源:仙踪林视频APP 查看手机网址
    扫一扫!冲压模具开模的重要事项扫一扫!
    浏览:- 发布日期:2016-09-02 11:10:16【


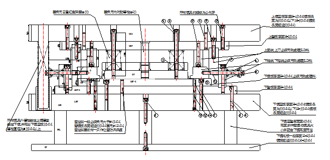
    冲压模具

    冲压模具开模的重要事项

    www.olirise.com

    1.所有冲压模具的外导柱规格需设定在Φ38以上,(导套釆用台阶式)

    2.模板上的导柱,固定销要有防呆设置; 超过400*400以上的冲压模具固定销要用Φ12,不论模板其内导柱规格必须设定在Φ20以上
    3.脱料板材质要釆用SKD11料,厚度为25MM;
    4.所有上下模座板之吊模螺丝须釆用M20;
    5.上下模座板长宽要大于上下模板单边40~50MM,以方便架模;
    6.当模板是300以上时,上下模座板厚度要求在(50-60)MM之间;模板在300以下时,上下模座板厚度为45MM;
    7.上下模座板应根据实际需要,依据所使用机台的T型槽尺寸加工出U型沟槽;
    8.所有模具的螺丝要用公制牙;
    9.挡块要镶入冲压模具垫板内10.0MM深,挡块的宽度要达到30~35MM,并装Φ12的固定销定位,挡块外侧需加补强块,螺丝要三角形斜排,禁止直线排布;
    10.所有压块,挡块,推块等不允许垫垫片,

    推荐阅读

    【本文标签】:模具/冲压模具
    【责任编辑】:仙踪林视频APP版权所有:http://www.olirise.com转载请注明出处
    网站地图